Чтобы сохранить список, вам нужно:
Войтиили
Зарегистрироваться
Трансформатор тока — статическое электрическое устройство для преобразования тока. Эти приборы весьма специфические, так как рассчитаны на работу с токами большой мощности. Но токи такой силы в бытовых условиях встречаются крайне редко. В городской квартире (да и в загородном доме тоже) крайне трудно набрать такую мощность потребления, которая потребовала бы при напряжении 220 Вольт такое количество электроэнергии, которое можно было бы «протолкнуть» через электрические сети только при силе тока свыше 30–50 Ампер. Но термин «применение в быту» включает в себя не только «чисто бытовое» применение электричества, но и вообще всякое потребление от бытовых сетей. А к такому потреблению может относиться и пользование электроэнергии предприятиями малого бизнеса: например, авторемонтные мастерские (где могут одновременно работать несколько сварочных аппаратов и электроподъемник) или небольшие хлебопекарни (с электропечами) и так далее. Эти производственные мощности вполне могут создать такую нагрузку на электрические сети, которой обычные электросчетчики просто не смогут выдержать.
Поэтому такие объекты малого бизнеса обычными «квартирными» однофазными счетчиками электричества и не пользуются, предпочитая подключаться сразу к трехфазным сетям на 380 Вольт. Сейчас счетчики электрической энергии для трехфазных сетей выпускаются на напряжение 3*57,7/100 Вольт) или 3*230/400 Вольт.
При высокой нагрузке и большой силе тока им на помощь приходят трансформаторы тока, которые будут необходимы для учета потребления электричества в трех- и четырехпроводных сетях.
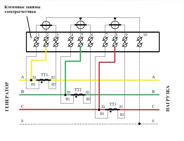
Такие счетчики можно подключать к трехфазным сетям через измерительные трансформаторы, то есть трансформаторы тока (ТТ) с трансформированным током 5 Ампер. Выглядеть схема этого подключения будет примерно так:
В данной схеме трансформаторы тока обозначаются как ТТ1-ТТ2-ТТ3, а пунктирной линией — подсоединение нулевого провода, которого может и не быть.
При таком подключении счетчика нужно строго соблюдать полярность обмоток трансформаторов тока, как первичной (Л1 и Л2), так и вторичной (И1 и И2).
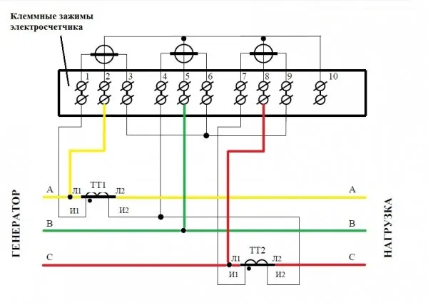
Если предполагается, что нагрузка на сеть не будет такой уж сильной, то при подсоединении трехфазного счетчика можно будет обойтись и двумя трансформаторами тока. Выглядеть это будет так:
Важно помнить, что монтаж электрических цепей с такой нагрузкой должен проводиться в строгом соответствии с требованиями правил безопасности. Особенно это касается норм по сечению проводов. Во входных линиях высокого тока сечение проводов должно быть не меньше 2,5 кв.мм. медного провода, а во внутренних линиях — не менее 1,5 кв.мм.
Стоит отметить, что у всякого прибора-счетчика на крышке изображена схема его подключения с маркировкой клемм и нумерацией выходов.
Именно поэтому очень рекомендуется при подсоединении приборов-счетчиков обеспечить провода вторичных цепей, цифровой и буквенной маркировкой — это сильно облегчит Вам и Вашим коллегам дальнейшую эксплуатацию и обслуживание.
Широкий ассортимент трансформаторов тока представлен в ТВК «ЭлектроЦентр» и интернет-магазине stv39.ru.
1. Общие положения
1.1. Настоящее Пользовательское соглашение (далее – Соглашение) относится к сайту Интернет-магазина stv39.ru, расположенному по адресу 238311, Калининградская обл., Большое Исаково, ул. Старокаменная, дом. 35, и ко всем соответствующим сайтам, связанным с сайтом stv39.ru.
1.2. Сайт Интернет-магазина stv39.ru (далее – Сайт) является собственностью ИП «Зверев И.В.».
1.3. Настоящее Соглашение регулирует отношения между Администрацией сайта Интернет-магазина stv39.ru (далее – Администрация сайта) и Пользователем данного Сайта
1.4. Администрация сайта оставляет за собой право в любое время изменять, добавлять или удалять пункты настоящего Соглашения без уведомления Пользователя.
1.5. Продолжение использования Сайта Пользователем означает принятие Соглашения и изменений, внесенных в настоящее Соглашение.
1.6. Пользователь несет персональную ответственность за проверку настоящего Соглашения на наличие изменений в нем.
Полная версия документа