Чтобы сохранить список, вам нужно:
Войтиили
Зарегистрироваться
Итак, при подключении УЗО и АВДТ обратите особое внимание на следующие моменты:
У разных производителей порядок может отличаться (смотрите на своём устройстве). Обязательно соблюдайте сторону подключения питания, если это указанно на устройстве (LINE-LOAD или стрелками ↓ ↑). Нарушение приведёт к выходу из строя вашего УЗО или его не правильной работе;
Многие производители бытовой техники рекомендуют использовать при монтаже электропроводки защитные устройства. Желательно дополнительно обезопасить такую бытовую технику как: стиральная машина, бойлер, посудомоечная машина.
Если учесть, что современная электросеть в квартире представляет собой несколько контуров, рассчитанных на разные нагрузки, то вариантов размещения УЗО в схеме тоже будет несколько.
Такая схема подойдет, когда в доме однофазная электропроводка без заземления (старый жилой фонд) и простая схема подключения всех приборов, т. е. нет отдельных контуров на освещение, розетки, бытовую технику. В таком случае для защиты используется одно общее УЗО для всех приборов. Пример такого подключения изображен на схеме ниже.

Такое по дключение обладает рядом преимуществ:
Но также имеются и недостатки:
Для повышения уровня защиты от возгорания при замыканиях на заземлённые части, когда величина тока недостаточна для срабатывания максимальной токовой защиты, на вводе в квартиру, индивидуальный дом и т. п. рекомендуется установка УЗО с током срабатывания до 300 мА.
К основным функциям противопожарного УЗО относятся:
Причинами возгорания электропроводки могут являться:
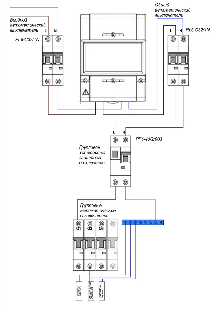
В схеме выше используются противопожарное узо PF6-40/2/01, групповые диф. автоматы PFL6 и автоматические выключатели PL6 . Для обеспечения большей безопасности мы рекомендуем использовать двухполюсные выключатели /1N или /2, отключающие не только фазный, но и нулевой проводник.
Вместо групповых АВДТ не редко используют несколько УЗО, защищающих каждое свою группу потребителей. Это значительно удешевляет схему, но в то же время усложняет поиск неисправности.
Всё вышеперечисленное относится также и к трехфазным УЗО и АВДТ.
В ТВК «ЭлектроЦентр» и на сайте интернет-магазина stv39.ru представлен широкий ассортимент автоматики, включая УЗО и АВДТ.
1. Общие положения
1.1. Настоящее Пользовательское соглашение (далее – Соглашение) относится к сайту Интернет-магазина stv39.ru, расположенному по адресу 238311, Калининградская обл., Большое Исаково, ул. Старокаменная, дом. 35, и ко всем соответствующим сайтам, связанным с сайтом stv39.ru.
1.2. Сайт Интернет-магазина stv39.ru (далее – Сайт) является собственностью ИП «Зверев И.В.».
1.3. Настоящее Соглашение регулирует отношения между Администрацией сайта Интернет-магазина stv39.ru (далее – Администрация сайта) и Пользователем данного Сайта
1.4. Администрация сайта оставляет за собой право в любое время изменять, добавлять или удалять пункты настоящего Соглашения без уведомления Пользователя.
1.5. Продолжение использования Сайта Пользователем означает принятие Соглашения и изменений, внесенных в настоящее Соглашение.
1.6. Пользователь несет персональную ответственность за проверку настоящего Соглашения на наличие изменений в нем.
Полная версия документа