С 12.01 магазин работает по новому режиму работы: пн-пт с 8:30 до 17:30, сб с 9:00 до 17:00
Чтобы сохранить список, вам нужно:
Войтиили
Зарегистрироваться
В данной статье мы рассмотрим случай, когда у источника бесперебойного питания (ИБП) уже закончился гарантийный срок эксплуатации, указаный в гарантийном талоне или паспорте данного прибора. В ином случае любое вмешательство во внутренние механизмы данного прибора приведут к отказу торговой организацией принимать данный ИБП для дальнейшего бесплатного гарантийного ремонта или полной замены, если проблема ИБП не ремонтируема.
Прежде чем отдавать блок ИБП в ремонтную мастерскую, имеет смысл осмотреть его внимательно и проверить — а нельзя ли починить аппарат самому? С одной стороны ИБП - устройство достаточно сложное, а с другой — даже в сложных устройствах большой процент неисправностей составляют банальные нарушения контактов. Кстати, именно они чаще всего и бывают причиной ситуации, когда ИБП вообще не включается. Сплошь и рядом для «устранения неисправности» достаточно бывает проверить предохранитель (прерыватель цепи) или «прозвонить» провод со штепселем, ведущим к розетке.
Но может статься, что ИБП то и дело включается в аварийный режим (о чем сообщает отчаянным писком), хотя ничего страшного в электросети не происходит. Почему он так делает? Чтобы это понять, надо сперва посмотреть на принципиальную схему ИБП и предположить, что в нем может сломаться.

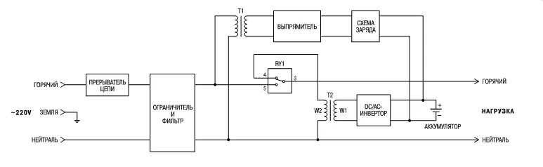
Наиболее распространенный вариант ИБП — это сочетание стабилизатора напряжения и сетевого фильтра с отводом части напряжения на выпрямитель, аккумулятор и преобразователь постоянного тока в переменный. В нормальных условиях электричество со стабилизатора подается прямо на нагрузку (тогда в реле RY1 будут соединены контакты 5 и 3), а если напряжение в сети пропадает, то реле соединяет контакты 4 и 3 — и инвертор (преобразователь) напряжения начинает работать от аккумуляторной батареи, которой в идеале должно хватить на 15-20 минут работы прежней нагрузки.
Так вот, если реле установлено не то (или просто неправильно отрегулировано), то оно может срабатывать не на полное исчезновение напряжения в сети, а просто на его понижение, которое не исключено, если в ИБП установлен стабилизатор релейного типа.
Чтобы устранить такую неисправность, достаточно будет повернуть регулятор реле на четверть оборота в сторону уменьшения чувствительности.
Следующий возможный источник неправильной работы ИБП — это аккумулятор. Он может потерять емкость из-за неправильной эксплуатации, а может высохнуть или «пробиться» - тогда ИБП либо не будет работать положенное время, либо контроллер станет выдавать сигнал о неисправности ИБП.
Что делать в этом случае? Прежде всего — не паниковать. Вполне может быть, что аккумулятор в нем не заряжен. Тогда при включении контроллер «обнаружит неисправность», но через несколько минут успокоится, поскольку аккумулятор начнет заряжаться.
Тем не менее, после такого сигнала лучше будет все же проверить емкость аккумулятора дополнительно. Сделать это довольно просто: оставить ИБП на сутки включенным без нагрузки, чтобы аккумулятор полностью зарядился, а потом подключить четко известную нагрузки (например — 100-ваттную лампочку) и отключить ИБП от сети.
В этом случае он должен будет начать работать в аварийном режиме — и в этом режиме лампочка должна будет нормально светить минут 20. Больше пытать ИБП не надо — слишком сильный разряд тоже опасен для аккумулятора. Если же аккумулятор в ИБП положенных 20 минут не выдерживает — то тут уж ничего не поделаешь: придется заниматься каждой батареей по отдельности.
Ну и, наконец, есть еще один совет: если вы в поисках неисправности сняли с прибора крышку, то присмотритесь заодно к плате, на которой сосредоточена вся «электронная начинка» ИБП.

У некоторых аппаратов провода или шлейф на плате могут отслаиваться от пластиковой основы и рваться. Обнаружив такую проблему, можно исправить ее при помощи паяльника. Достаточно сделать перемычку между напайками неисправного шлейфа.

Также проблемой может быть совсем не в ИБП, а в розетка, в которою он включен. Например: плохой контакт вилки с контактными «губками» розетки, обрыв или плохой контакт нулевого провода в розетки и обрыв в питающем шнуре между ИБП и розеткой.
В случае если ваш ИБП еще на гарантии - все гораздо проще. Всего то и нужно, что отвести его в сервисный центр для бесплатного ремонта данного прибора.
Приобрести надежный источник бесперебойного питания с гарантией и проконсультироваться по его эксплуатации можно в ТВК «ЭлектроЦентр» и на сайте интернет-магазина stv39.ru.
1. Общие положения
1.1. Настоящее Пользовательское соглашение (далее – Соглашение) относится к сайту Интернет-магазина stv39.ru, расположенному по адресу 238311, Калининградская обл., Большое Исаково, ул. Старокаменная, дом. 35, и ко всем соответствующим сайтам, связанным с сайтом stv39.ru.
1.2. Сайт Интернет-магазина stv39.ru (далее – Сайт) является собственностью ИП «Зверев И.В.».
1.3. Настоящее Соглашение регулирует отношения между Администрацией сайта Интернет-магазина stv39.ru (далее – Администрация сайта) и Пользователем данного Сайта
1.4. Администрация сайта оставляет за собой право в любое время изменять, добавлять или удалять пункты настоящего Соглашения без уведомления Пользователя.
1.5. Продолжение использования Сайта Пользователем означает принятие Соглашения и изменений, внесенных в настоящее Соглашение.
1.6. Пользователь несет персональную ответственность за проверку настоящего Соглашения на наличие изменений в нем.
Полная версия документа